泉州捷途网络科技有限公司
  • 首页
  • 企业简介
  • 产品大全
  • 联系我们
  • 企业信息
  • 在线留言
首页 > 产品大全 > 石盘食品医药产业园污水处理厂电力监控系统的设计及应用

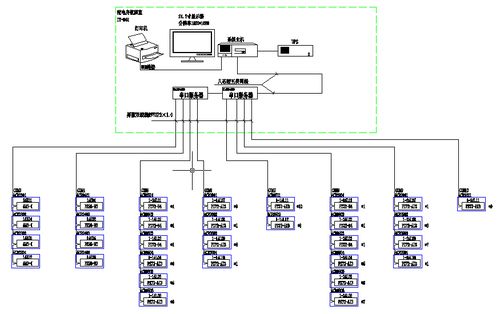
石盘食品医药产业园污水处理厂电力监控系统的设计及应用

石盘食品医药产业园污水处理厂电力监控系统的设计及应用

如若转载,请注明出处:http://www.yxb688.com/product/3.html

更新时间:2026-03-15 10:15:58

最新产品

智慧赋能,水韵未来 2018上海国际建筑给排水设备及技术展览会策划与制作全记录
智慧赋能,水韵未来 2018上海国际建筑给排水设备及技术展览会策划与制作全记录
视觉叙事的力量 如何打造震撼人心的企业宣传片与品牌设计
视觉叙事的力量 如何打造震撼人心的企业宣传片与品牌设计
广州庆典舞台制作公司 专业图文设计制作的创新与实践
广州庆典舞台制作公司 专业图文设计制作的创新与实践
健康生活,品质设计 探秘泉州麦都膨胀工厂,30年老品牌的网红焕新之路
健康生活,品质设计 探秘泉州麦都膨胀工厂,30年老品牌的网红焕新之路
精品图文展匠心 中交隧道工程局高速公路项目品质工程方案策划与图文设计纪实
精品图文展匠心 中交隧道工程局高速公路项目品质工程方案策划与图文设计纪实
工厂装修效果图展示与图文设计制作 打造现代化工业美学空间
工厂装修效果图展示与图文设计制作 打造现代化工业美学空间
胆石混合,声韵天成 麦景图MC901后级与势霸定制产品SIAV首发亮相
胆石混合,声韵天成 麦景图MC901后级与势霸定制产品SIAV首发亮相
福建展览设计搭建行业翘楚 诚义龙工厂,图文设计与制作的首选伙伴
福建展览设计搭建行业翘楚 诚义龙工厂,图文设计与制作的首选伙伴
福州印刷服务一站式解决方案 画册、海报、杂志及图文设计制作
福州印刷服务一站式解决方案 画册、海报、杂志及图文设计制作
专业品质,创意呈现——上海韵途展览制作厂一站式展览解决方案
专业品质,创意呈现——上海韵途展览制作厂一站式展览解决方案

地址:福建省泉州市安溪县凤城镇新安路332号

电话:13850706773

Copyright © 2026 www.yxb688.com 图文设计制作 泉州捷途网络科技有限公司 图文设计制作 版权所有 Sitemap